Снятие
Детали установки задней крышки коробки передач
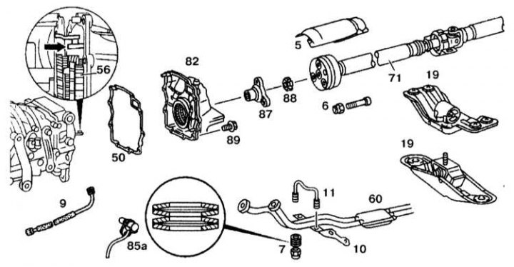
5 - Теплозащитный щиток; 6, 7, 88 - Гайки; 9 - Вал спидометра; 10 - Кронштейн крепления выпускной трубы; 11 - Скоба; 19 - Опора двигателя; 50 - Прокладка; 56 - Муфта синхронизатора; 60 - Система выпуска; 67 - Фланец; 71 - Передний карданный вал; 82 - Задняя крышка коробки передач; 85a - Индуктивный датчик; 89 - Болт
1. Отверните опору двигателя (19).
2. Отверните кронштейн (10) крепления системы выпуска и скобку (11).
3. Отверните теплозащитный щиток (5).
4. Отверните передний карданный вал (71).
5. Отсоедините систему выпуска (60) от задней точки кропления.
6. Отверните вал спидометра (9) или индуктивный датчик (85a).
7. Отверните гайку (88).
8. Снимите фланец (87).
9. Отсоедините заднюю крышку коробки передач (82).
Разборка
Разборка и сборка задней крышки коробки передач
58 - Муфта переключения; 59 - Вилка переключения; 61 - Рычаг; 65 - Прокладки; 66 - Болты; 67 - Вал; 08 - Уплотнительное кольцо; 69 - Натяжная пружина; 81 - Игольчатый подшипник; 82 - Задняя крышка коробки передач; 86 - Радиальный сальник
1. Отверните болты (66) и снимите вал (67).
2. Снимите рычаг (61), вилку (59) и муфту (58). Извлеките муфту (58), вилку (59) из рычага (61) и снимите натяжную пружину (69).

3. Извлеките игольчатый подшипник (81) с крышки.
4. Выпрессуйте радиальный сальник (86).
Сборка и установка

Установите вилку (59) на муфту (58) так, чтобы фрезерованная поверхность вилки (59) была расположена сверху (стрелка).
Сборка и установка производятся в порядке, обратном снятию и разборке. Установите вилку (59) на муфту (58) так, чтобы фрезерованная поверхность вилки (59) была расположена сверху.

Натяжная пружина (69) должна быть установлена на манжете рычага.
При установке направьте рычаг переключения передач в вилку 5-й передачи и передачи заднего хода (стрелка). Проверните переключающие втулки и втолкните их в пазы корпуса синхронизатора (56).
