Подготовка к снятию головки цилиндров двигателя серии 111
Снятие головки цилиндров двигателя серии 111
1. Иллюстративный материал по снятию и установке головки цилиндров двигателя серии 111 представлен на иллюстрациях, к которым относятся все встречающиеся в тексте ссылки.
2. Опорожните систему охлаждения (см. Главу Текущий уход и обслуживание).
3. Снимите расширительный бачок системы охлаждения (см. Главу Системы охлаждения, отопления и воздушного кондиционера).
4. Отболтите приемную трубу от выпускного коллектора.
5. Отболтите от трансмиссии опорный кронштейн системы выпуска отработавших газов.
6. Снимите крышку термостата (см. Главу Системы охлаждения, отопления и воздушного кондиционера).
7. Рассоедините контактные разъемы подведенной к головке цилиндров электропроводки.
8. Отболтите впускной трубопровод (19) (см. Раздел Снятие и установка впускного трубопровода), отделите последний от головки цилиндров и отведите его в сторону.
9. Отсоедините вентиляционную линию.
10. На двигателях с алюминиевым впускным трубопроводом отболтите кронштейн (2).
11. Отсоедините шланг охладительного тракта (3) от задней части головки.
12. Снимите переднюю крышку головки цилиндров (см. Раздел Снятие и установка крышек привода ГРМ).
13. Отболтите направляющую трубку (7) щупа измерения уровня двигательного масла.
14. На моделях с АТ отболтите направляющую трубку (8) щупа измерения уровня ATF.
15. Провернув коленчатый вал в нормальном направлении, приведите поршень первого цилиндра в положение 20-30° после ВМТ.
16. Зафиксируйте распределительные валы (75 и 78) при помощи блокировочных стержней.
17. Маркером пометьте положение газораспределительной цепи на звездочках распределительных валов.
18. Снимите натяжитель цепи (14) (см. Раздел Снятие и установка компонентов привода ГРМ).
19. Снимите с головки цилиндров направляющую цепи (см. Раздел Снятие и установка компонентов привода ГРМ).
20. Снимите звездочки (76 и 74) выпускного и впускного распределительных валов.
Примечание. Болты крепления звездочек подлежат замене в обязательном порядке.
21. Снимите впускной распределительный вал в сборе с регулятором (см. Раздел Снятие и установка компонентов ГРМ).
22. Приболтите кронштейн (16).
23. Извлеките направляющие штифты (11).
24. Выверните болты (А) крепления к головке цилиндров крышки привода ГРМ (см. Раздел Снятие и установка крышек привода ГРМ).
25. В несколько приемов ослабьте, затем выверните болты (12) крепления головки.
26. Проверьте состояние болтов (12), в случае необходимости произведите замену.
27. Подсоедините подъемный такелаж к кронштейну (16) и к задней проушине двигателя.
28. Подняв вверх, аккуратно отделите головку от блока цилиндров.
29. Тщательно зачистите сопрягаемые поверхности головки и блока, полностью удалив с них все следы материала старой прокладки.
30. Прочистите резьбовые отверстия под крепежные болты.
31. Установка производится в порядке, обратном порядку демонтажа компонентов.
М112/113
Подготовка к снятию головок цилиндров двигателей серий 112 и 113
Подготовка к снятию головок цилиндров двигателей серий 112 и 113
Детали установки головок цилиндров двигателей серии 112 и 113
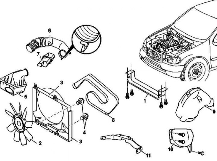
1. Иллюстративный материал по снятию и установке головки цилиндров двигателей серий 112 и 113 представлен на иллюстрациях, к которым относятся все встречающиеся в тексте ссылки.
2. Отсоедините отрицательный провод от батареи.
3. Загоните автомобиль на подъемник.
4. На моделях, оборудованных двигателем 113.942 (ML 430) снимите воздухоотбойник (1).
5. Опорожните систему охлаждения (см. Главу Текущий уход и обслуживание).
6. Снимите крышку силового агрегата.
7. На всех моделях, кроме ML 55 AMG и ML 500 снимите вентилятор системы охлаждения с вязкостной муфтой, затем демонтируйте кожух вентилятора.
8. На моделях ML 55 AMG и ML 500 снимите сборку электрического вентилятора системы охлаждения.
9. Установите экран защиты радиатора/конденсатора К/В.
10. Снимите воздухоочиститель (7).
11. Снимите воздушный рукав (6) с резонаторной камерой (7).
12. Сбросьте давление в системе питания (см. Главу Сбрасывание давления в топливной системе бензинового двигателя) и отсоедините бензопровод от топливной магистрали.
13. Снимите катушки зажигания (12).
14. Снимите крышки головок цилиндров (13).
15. Снимите датчик CMP (15).
16. Ремень привода вспомогательных агрегатов.
17. Снимите линию охладительного тракта (16) на левой головке цилиндров.
18. Снимите локер защиты колесной арки (9).
19. Снимите дефлектор (10) (модели с двигателями серии 113).
20. Снимите опорный кронштейн системы выпуска отработавших газов (11).
21. Отсоедините приемные трубы системы выпуска отработавших газов от выпускных коллекторов.
22. Провернув коленчатый вал в нормальном направлении, приведите поршень первого цилиндра в положение 40° после ВМТ, в котором отсутствует риск столкновения поршней с клапанами при проворачивании распределительных валов.
23. Снимите натяжитель цепи (17) (см. Раздел Снятие и установка компонентов привода ГРМ).
24. Снимите корпус масляного фильтра (18) в сборе с жидкостным теплообменником (модели с двигателями серии 113).
25. Выверните болты крепления звездочек распределительных валов (19).
26. Снимите мосты крышек распределительных валов (28).
27. Выверните болты крепления головки цилиндров к крышке привода ГРМ (20).
28. В несколько приемов отпустите, затем выверните болты крепления головок (21).
29. Снимите головку цилиндров.
30. Путем осмотра опознайте версию прокладки головки.
31. Изучите состояние крепежных болтов (21).
32. Тщательно зачистите сопрягаемые поверхности головок и блока, полностью удалив с них все следы материала старой прокладки.
33. Прочистите резьбовые отверстия под крепежные болты.
34. Установка производится в порядке, обратном порядку демонтажа компонентов.
Примечание. При выявлении на сопрягаемых поверхностях головок и блока каверн установка прокладки на головки производится с применением герметика.
35. В заключение произведите очистку памяти процессора системы бортовой диагностики.
