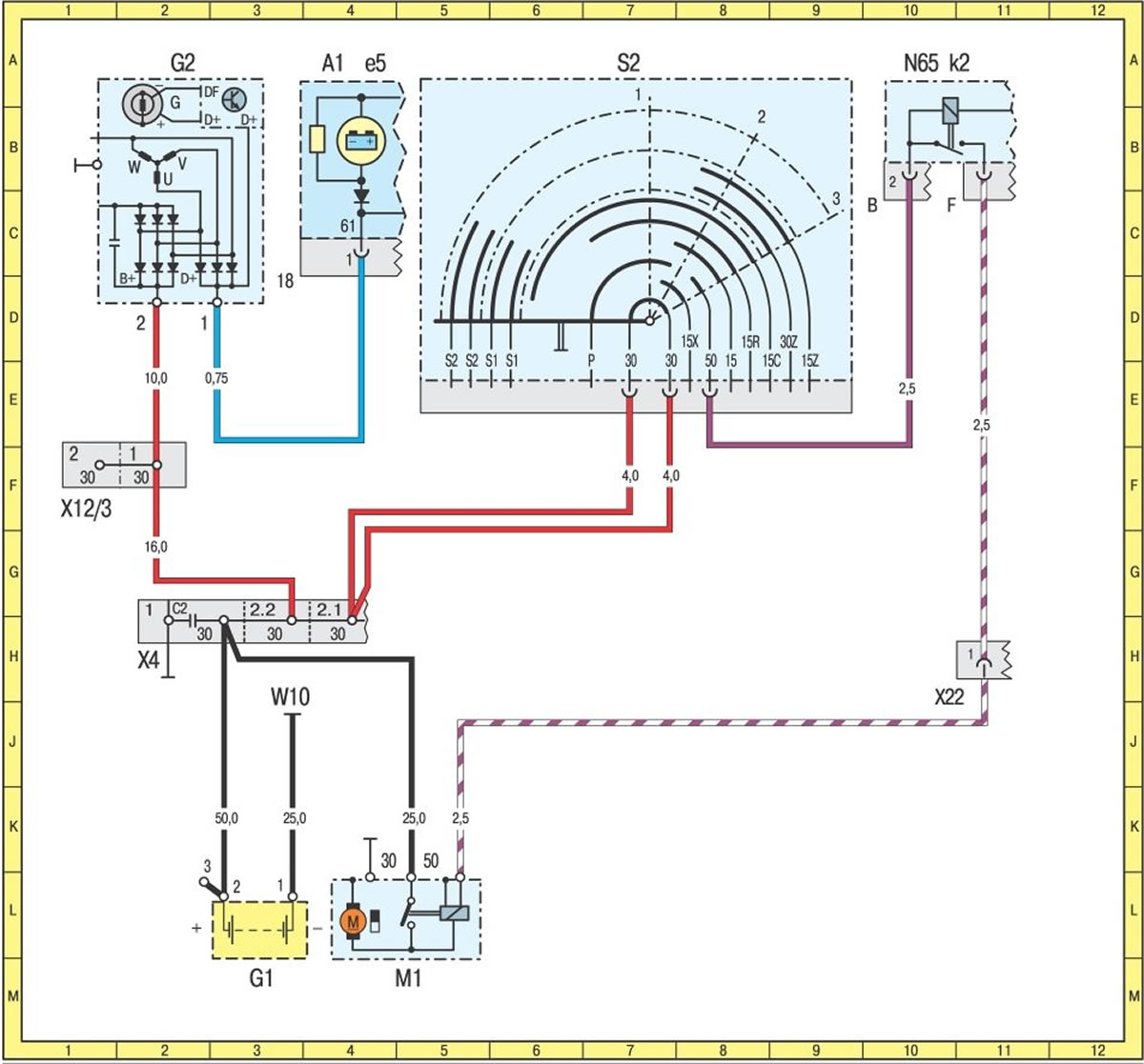
Стартер та генератор (двигуни 104, 111, 604, 605, 606)

Відкрити велику картинку в новій вкладці »
Загальний опис електричних схем дивіться тут →
Умовні позначення на електричних схемах дивіться тут →
(Інформація скопійована з веб-сайту: «mercedesman»)
