Примечание. Обратитесь также к материалам Раздела Проверка состояния и замена шлангов двигательного отсека, локализация утечек.
Шланги, также как и приводные ремни, имеют свойство выходить из строя в самый неподходящий момент - во избежание неприятностей, связанных с разрывом шлангов радиатора или отопителя, внимательно осматривайте их, как показано на иллюстрации

1. Многие серьезные нарушения в работе двигателя связаны с неисправностями системы охлаждения. Если автомобиль оборудован автоматической трансмиссией, то ее функционирование и срок службы также напрямую связаны с работой системы охлаждения.
2. Проверка системы охлаждения должна производиться при холодном двигателе, поэтому лучше заняться ею перед первой за текущий день поездкой или не ранее, чем через три часа после выключения двигателя.
3. Медленно, соблюдая осторожность на случай, если двигатель еще не совсем остыл, снимите крышку расширительного бачка. Тщательно промойте ее изнутри и снаружи чистой водой. Также промойте заливную горловину бачка. Наличие следов коррозии в заливной горловине означает, что охлаждающую жидкость следует заменить (см. ниже). Охлаждающая жидкость внутри расширительного бачка должен быть сравнительно чистым и прозрачным. Если он имеет буроватый цвет, опорожните систему и залейте в нее новую охлаждающую жидкость.
4. Тщательно проверьте шланги радиатора, а также шланги отопителя, которые имеют меньший диаметр. Проверяйте шланги системы охлаждения по всей длине, при выявлении трещин, вздутий и признаков старения материала производите замену. Трещины легче обнаружить путем сжимания шланга. Особое внимание обращайте на места установки крепежных хомутов, которые могут порезать или проткнуть шланги, что приведет к развитию утечек охлаждающей жидкости.
5. Удостоверьтесь в надежности крепления всех шланговых соединений. Утечки охлаждающей жидкости обычно проявляются в виде белых или ржавого цвета отложений в области нарушения герметизации. Если на Вашем автомобиле используются хомуты проволочного типа, то имеет смысл заменить их на хомуты винтового типа.
6. С помощью сжатого воздуха или мягкой щетки очистите переднюю часть радиатора (а также конденсатор кондиционера воздуха, там, где он имеется). Удалите всех насекомых, листья и прочие посторонние предметы, попавшие на ребра радиатора, - будьте очень осторожны, чтобы не повредить ребра и не порезать о них пальцы.
7. Если уровень охлаждающей жидкости постоянно падает, а Вы не обнаружили никаких утечек, следует произвести проверку системы охлаждения давлением в условиях СТО Mercedes-Benz.
Проверка морозоустойчивости охлаждающей жидкости
Внимание! Не допускайте попадания антифриза на Вашу кожу и окрашенные поверхности автомобиля. При попадании немедленно смывайте обильным количеством воды. Антифриз чрезвычайно токсичен и смертельно опасен при попадании в организм. Не оставляйте антифриз в открытом контейнере или пролитым на полу; его сладковатый запах легко может привлечь к себе детей или домашних животных. Справьтесь о местных правилах утилизации отработавшего антифриза. Во многих районах имеются специальные центры по его приемке.
1. Перед началом зимнего сезона необходимо обязательно проверить концентрацию антифриза в охлаждающей жидкости, особенно если в систему в процессе эксплуатации заливалась чистая вода, - воспользуйтесь ареометром с градуировкой на морозоустойчивость.
2. Слегка прогрейте двигатель так, чтобы нагрелся верхний шланг радиатора. При измерении концентрации антифриза температура жидкости должна составлять около +20°C.
3. Осторожно отверните пробку расширительного бачка.
Внимание! При горячем двигателе пробку расширительного бачка следует открывать осторожно. Имеется опасность ожога! Необходимо положить на пробку тряпку. Пробку открывайте только при температуре жидкости не более +90°C.
4. Наберите жидкость с помощью груши ареометра.
5. В наших широтах достаточна концентрация антифриза, обеспечивающая защиту системы до температуры -25°C, при особо холодном климате до -35°C.
Замена охлаждающей жидкости
1. Приготовьте сливную емкость подходящего объема.
2. Снимите крышку расширительного бачка.

3. Откройте регулировочный краник отопителя.
4. Снимите защиту картера.
5. Поочередно слейте охлаждающую жидкость сначала из радиатора (смотрите иллюстрации а и b), затем из картера двигателя (смотрите иллюстрацию с).
а — Местоположение сливного вентиля радиатора, - натяните на вентиль шланг внутренним диаметром 12 мм (бензиновые модели)
b — Местоположение сливного вентиля радиатора, - натяните на вентиль шланг внутренним диаметром 12 мм (дизельные модели)
с — Местоположение сливной пробки водяной рубашки картера двигателя, - в случае необходимости используйте шланг внутренним диаметром 14 мм
6. Проверьте проходимость открытых участков каналов охладительного тракта, в случае необходимости произведите их прочистку.
7. Оцените состояние уплотнительных шайб сливных пробок, дефектные шайбы замените.
8. Через горловину расширительного бачка залейте в систему требуемое количество свежей охлаждающей жидкости. При эксплуатации автомобиля в условиях с температурой до -25°C концентрация антифриза в охлаждающей жидкости должна составлять порядка 40%. При опускании столбика термометра до отметки -35°C концентрацию следует увеличить до 50% (см. Спецификации).
Примечание. Если требуется более высокая степень защиты от замерзания, можно повысить уровень концентрации антифриза до 60% (такая концентрация обеспечит защиту от замерзания при температурах до -40°C). Дальнейшее повышение содержания в охлаждающей жидкости антифриза приводит к снижению эффективности ее действия как при отводе тепла, так и при защите двигателя от коррозии.
9. Запустите двигатель и выпустите из охладительного тракта воздушные пробки (см. ниже).
10. Закрепите на крышке расширительного бачка ярлык с указанием концентрации, марки антифриза и даты его замены. Любое последующее пополнение системы (до плановой замены) должно проводиться только жидкостью того же состава, либо дистиллированной водой
Удаление воздушных пробок
1. Если после замены жидкости двигатель перегревается, причина, скорее всего, в наличии воздушных пробок в системе. Пробки обычно появляются в результате спешки при заправке системы не нарушают исправность циркуляции охлаждающей жидкости.
2. Присутствие в резиновых шлангах системы охлаждения воздушных пробок обычно достаточно просто выявляется на ощупь. После выполнения замены охлаждающей жидкости воздушные пробки обычно исчезают при первом запуске двигателя.
3. При работающем прогретом до нормальной рабочей температуры двигателе включите отопитель и его вентилятор, - теплый воздух должен поступать в салон в достаточном количестве. Одной из причин недостаточного прогрева воздуха может являться присутствие в тракте системы охлаждения воздушных пробок.
4. Появление в охладительном тракте воздушных пробок чревато порой самыми серьезными последствиями, а не просто приводит к снижению эффективности отдачи отопителя. Достаточно объемная пробка может воспрепятствовать циркуляции жидкости внутри водяной рубашки двигателя. Для того чтобы удостовериться в отсутствии пробок внутри двигателя, пощупайте верхний шланг радиатора: при работающем двигателе он должен быть горячим. Недостаточный прогрев шланга может свидетельствовать о присутствии в рубашке воздушных пробок, а также о возможной неисправности термостата.
Бензиновые модели
1. Если после первого запуска двигателя после выполнения процедуры замены охлаждающей жидкости в системе останутся воздушные пробки, заглушите двигатель и дождитесь полного его остывания, затем снимите крышку расширительного бачка и посжимайте шланги охладительного. В худшем случае систему охлаждения придется полностью опорожнить и заправить свежей охлаждающей жидкостью (см. выше).
Дизельные модели
G270 CDI (М612)
Подготовка к удалению воздушных пробок из тракта системы охлаждения турбированного двигателя (1 из 4)
Подготовка к удалению воздушных пробок из тракта системы охлаждения турбированного двигателя (2 из 4)
Подготовка к удалению воздушных пробок из тракта системы охлаждения турбированного двигателя (3 из 4)
Подготовка к удалению воздушных пробок из тракта системы охлаждения турбированного двигателя (4 из 4)
N90 — Модуль управления охладителя воздуха наддува
1. Переключите рычаг селектора АТ в положение «Р» и выключите зажигание.
2. Выверните крепежные болты (1), оттяните вниз крышку (2) справа под панелью приборов, выверните болты (3) и снимите крышку (4).
Примечание. На моделях, оборудованных системой аварийного вызова TELE AID (код ЕТ2), отсоедините электропроводку от соответствующего громкоговорителя правой передней двери.
3. Откройте правую переднюю дверь и высвободите из фиксаторов боковую крышку (5) справа на панели приборов с целью облегчения доступа к модулю управления охладителя воздуха наддува (N90).
4. Снимите модуль N90 и перемкните между собой клеммы № № 2 и 5 контактной колодки с целью замыкания контура питания циркуляционного насоса (М44).

Внимание! Будьте внимательны: нумерация клемм на колодке и на разъеме модуля не совпадает!
5. Откройте крышку расширительного бачка и включите зажигание, - активация циркуляционного насоса приведет к удалению пробок из тракта системы охлаждения.
6. Удостоверившись в полноте удаления воздуха, выключите зажигание и установите на место снимавшиеся компоненты.
G400 CDI (М628)
Внимание! В ходе выполнения процедуры постоянно следите за уровнем жидкости в расширительном бачке, в случае необходимости производите соответствующую корректировку! Когда температура охлаждающей жидкости достигнет значения 60-70°C крышку расширительного бачка следует закрыть.
1. На моделях, оборудованных двигателем серии 628 удаление воздуха из охладительного тракта производится также путем активации электромотора циркуляционного насоса (М44).
2. Подсоедините и активируйте считыватель STAR DIAGNOSIS (действуйте в соответствии с указаниями, приведенными в инструкции изготовителей прибора).
3. Произведите выбор модели автомобиля с указанием типа двигателя и рулевого привода.
4. Войдите в главную группу модулей управления и выберите требуемый драйвер.
5. Укажите тип системы питания (CDI-V1).
6. Выберите режим активации, в качестве целевой точки указав электромотор циркуляционного насоса (М44).
7. Для активации насоса нажмите функциональную клавишу «F3», - насос будет функционировать только при нажатой клавише.
Внимание! Клавиша должна быть нажата физически, а не виртуально при помощи мыши!
Удаление масла из охладительного и отопительного трактов дизельных двигателей
Внимание! Не открывайте крышку расширительного бачка до тех пор, пока охлаждающая жидкость не прогреется до температуры 90°C. При открывании крышки соблюдайте осторожность, - не ошпарьтесь!
Удаление масла из охладительного/отопительного тракта дизельного двигателя
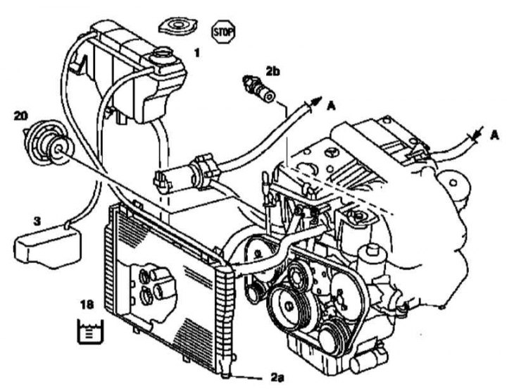
1 - Расширительный бачок; 2а - Сливной вентиль радиатора; 2b - Сливная пробка картера двигателя; 3 - Переливной бачок (на рассматриваемых моделях не используется); 1 - 8 Радиатор; 20 - Термостат; А - Подающий и возвратный потоки отопителя
1. Снимите защиту картера. Опорожните систему охлаждения (см. выше).
2. Снимите термостат системы охлаждения (см. Главу Системы охлаждения, отопления, вентиляции и кондиционирования воздуха).
3. При помощи плоскогубцев снимите стопорную пластину (6), затем потянув вниз и одновременно поворачивая, извлеките из кожуха (4) термостата рабочий элемент (5). Далее кожух может быть использован в качестве приспособления для удаления из системы охлаждения масла.

4. Включите отопитель на максимальную производительность (см. Часть Устройства обеспечения комфорта), при соответствующей комплектации активируйте также дополнительный отопитель (см. там же).
5. Залейте в систему охлаждения специальный промывающий раствор (5% концентрата на 95% воды).
6. Запустите двигатель и на умеренных оборотах прогрейте его до температуры порядка 80°C (потребуется около 5 минут).
7. Заглушите двигатель и дайте ему остыть до температуры приблизительно 50°C.
8. Слейте раствор из системы охлаждения (см. выше).
9. Заправьте систему охлаждения чистой водой, на 5 минут запустите двигатель, затем вновь заглушите и слейте воду.
10. Залейте в систему охлаждения свежую охлаждающую жидкость, удалите из охладительного тракта воздух (см. выше) и осмотрите компоненты системы на наличие признаков развития утечек.
