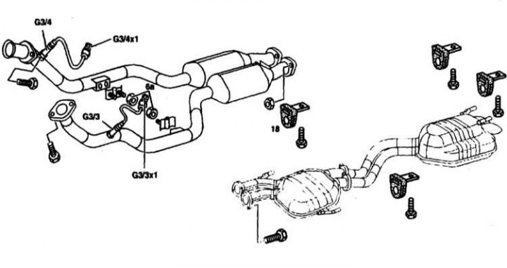
Типова конструкція системи випуску відпрацьованих газів (на прикладі моделей із двигуном серії М119)
G3/4 - Правий докаталітичний лямбда-зонд; G3/4х1 - Контактний роз'єм електропроводки правого докаталітичного лямбда-зонда; G3/3 - Лівий докаталітичний лямбда-зонд; G3/3х1 - Контактний роз'єм електропроводки лівого докаталітичного лямбда-зонда; 18 - Підвіс
(Публікацію передруковано з цього ресурсу: «mercedesman.ru»)
