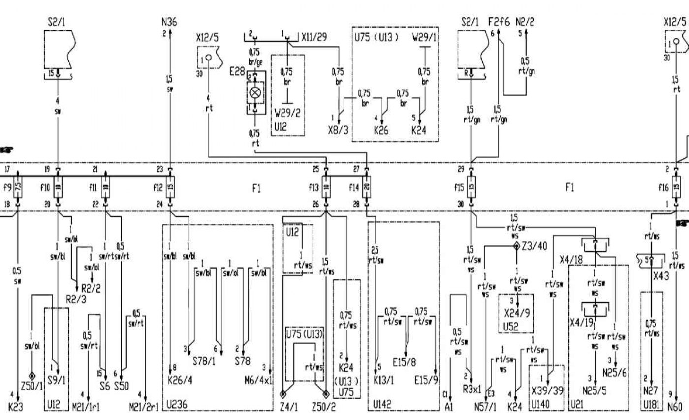
Монтажний блок запобіжників F1 (усі моделі випуску з 01.09.01 р.)


Відкрити велику картинку в новій вкладці »

Відкрити велику картинку в новій вкладці »
Список позначень на електричних схемах дивіться цій сторінці →
(Текст передруковано з веб-сайту: www.MercedesMan.ru)
