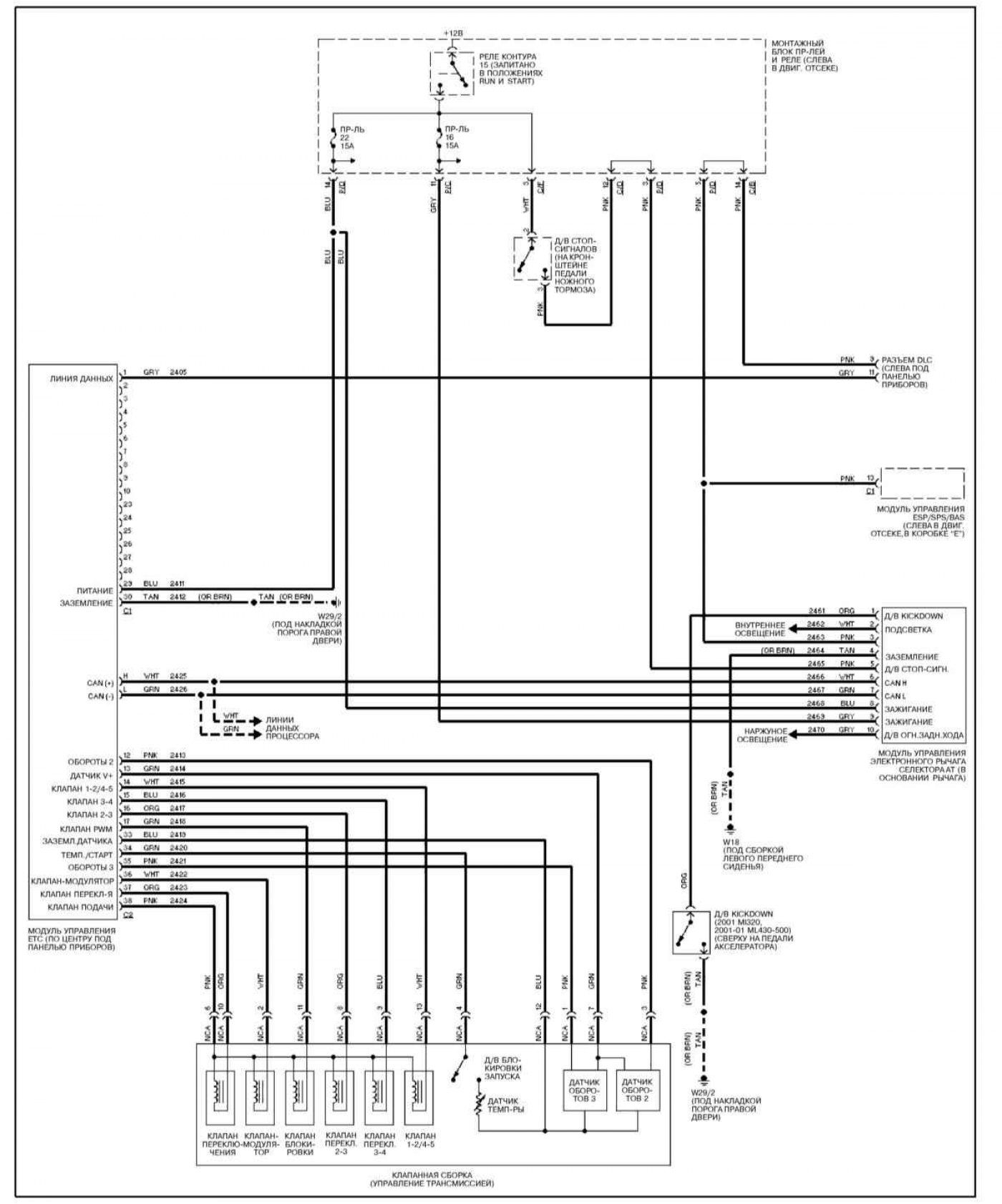
Автоматическая трансмиссия (АТ) (ML 430)

Открыть большую картинку в новой вкладке »
Используемые на электрических схемах аббревиатуры, обозначения электропроводки, выводов и клемм смотрите здесь →
Материал заимствован с онлайн-ресурса (www.mercedesman.ru)
